Добро пожаловать: гость! Вход | Регистрация Текущее время: Чт апр 16, 2026 9:51 am

XC90 2008 2.4 d5 пробег 270к - чудеса с турбиной

ДВС, системы подачи топлива, зажигания, смазки, охлаждения и т.пр.

Модераторы: Viking, DrEvil

XC90 2008 2.4 d5 пробег 270к - чудеса с турбиной

Сообщение Nafigator » Ср май 27, 2020 3:16 pm

Доброго времени суток.
Решил написать сюда, поскольку все специалисты на данный момент разводят руками..
Симптомы следующие:
примерно 1 к 5 запускам выдает ошибку, код неисправности ECM 1507 - фактическое давление наддува отклоняется от расчетного. Расшифровку могу приложить, там несколько вариантов неисправности.
При этом машина начинает ехать, как будто атмосферная (без турбины), то есть средняя скорость 70-80, на горку 60, с горки можно разогнать)) и дымит. К слову, дымит и когда турбина работает, несмотря на несброшенную ошибку, причем чем выше обороты тем сильнее.
Пару лет назад (примерно на 250к пробега) мне удалили забитый сажевый фильтр, заглушили ЕГР и зачиповали, и после этого мотор просто немного громче стал работать, но не дымил так, хотя и был выхлоп на высоких оборотах заметнее чем до "операции", а расход упал почти на 1л.

Что сделали на сегодняшний момент, последовательно:
- поменяли пластиковую шестерню в актуаторе;
- поменяли картридж турбины, из-за попадания кусков нагара в крыльчатку;
- проверили герметичность воздуховодов турбины и расходомер, с применением дымогенератора;
- неоднократно проверяли сам актуатор;
- убедились, что заглушка на клапане ЕГР не прогорела, и он не заблокирован в открытом положении.

Сейчас ждем другой рабочий актуатор, чтобы поставить и поездить, хотя и проверили мой, просто других вариантов не видим.

Если у кого-нибудь был подобный опыт или есть идеи, прошу подсказать.
Nafigator
Ученик
Ученик
 
Сообщения: 5
Зарегистрирован: Чт сен 14, 2017 12:42 pm
Автомобиль: XC90
Клубная карта №: 0

Re: XC90 2008 2.4 d5 пробег 270к - чудеса с турбиной

Сообщение AndreyKa » Чт май 28, 2020 1:37 pm

Пробовали искать в интернете?

https://www.drive2.ru/l/10542119/
Изображение
Аватара пользователя
AndreyKa
VIP
VIP
 
Сообщения: 2551
Зарегистрирован: Вт авг 14, 2012 12:40 pm
Откуда: г. Харьков
Автомобиль: XC90 2.5T
Клубная карта №: 0

Re: XC90 2008 2.4 d5 пробег 270к - чудеса с турбиной

Сообщение Алежон » Пт май 29, 2020 10:39 am

AndreyKa писал(а):Пробовали искать в интернете?

https://www.drive2.ru/l/10542119/

а ты пробовал читать что шестерню пластиковую в актуаторе уже пеняли?)есть идеи не с интернета?у него постояный симтом,нет выхода на буст
Аватара пользователя
Алежон
VIP
VIP
 
Сообщения: 4930
Зарегистрирован: Вс май 17, 2009 4:56 pm
Откуда: Киев
Автомобиль: 242
Клубная карта №: 0

Re: XC90 2008 2.4 d5 пробег 270к - чудеса с турбиной

Сообщение vitalik k » Пт май 29, 2020 11:30 am

Проводку и разёмы от ЕСМ к приводу актуатору проверьте, ну и сигналы с питанием фактически и по сканеру приходят на привод или нет.
Источник нашей мудрости - наш опыт. Источник нашего опыта - наша глупость. 0677928шесть46
Опыт - это когда на смену вопросам: "Что? Где? Когда? Как? Почему?" приходит единственный вопрос: "Нахрена? "
Аватара пользователя
vitalik k
VIP
VIP
 
Сообщения: 1350
Зарегистрирован: Чт мар 17, 2011 3:48 pm
Откуда: Бровары
Автомобиль: XC90 2.5T
Клубная карта №: 0

Re: XC90 2008 2.4 d5 пробег 270к - чудеса с турбиной

Сообщение Nafigator » Пт май 29, 2020 1:46 pm

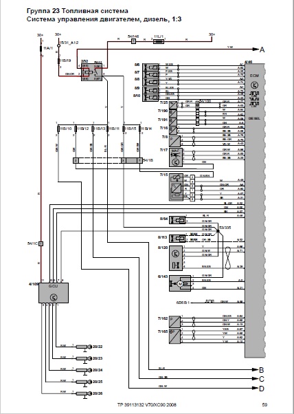
Электросхемы нет у турбинистов на нее. Я ж естественно не на официале обслуживаюсь
Nafigator
Ученик
Ученик
 
Сообщения: 5
Зарегистрирован: Чт сен 14, 2017 12:42 pm
Автомобиль: XC90
Клубная карта №: 0

Re: XC90 2008 2.4 d5 пробег 270к - чудеса с турбиной

Сообщение vitalik k » Пт май 29, 2020 8:50 pm

А Вас в Гугле забанили?
Вложения
р.jpg
Источник нашей мудрости - наш опыт. Источник нашего опыта - наша глупость. 0677928шесть46
Опыт - это когда на смену вопросам: "Что? Где? Когда? Как? Почему?" приходит единственный вопрос: "Нахрена? "
Аватара пользователя
vitalik k
VIP
VIP
 
Сообщения: 1350
Зарегистрирован: Чт мар 17, 2011 3:48 pm
Откуда: Бровары
Автомобиль: XC90 2.5T
Клубная карта №: 0

Re: XC90 2008 2.4 d5 пробег 270к - чудеса с турбиной

Сообщение vitalik k » Пт май 29, 2020 8:57 pm

Источник нашей мудрости - наш опыт. Источник нашего опыта - наша глупость. 0677928шесть46
Опыт - это когда на смену вопросам: "Что? Где? Когда? Как? Почему?" приходит единственный вопрос: "Нахрена? "
Аватара пользователя
vitalik k
VIP
VIP
 
Сообщения: 1350
Зарегистрирован: Чт мар 17, 2011 3:48 pm
Откуда: Бровары
Автомобиль: XC90 2.5T
Клубная карта №: 0

Re: XC90 2008 2.4 d5 пробег 270к - чудеса с турбиной

Сообщение a.lav992@gmail.com » Сб май 30, 2020 5:06 pm

если данные давления наддува отклоняется от расчетного то может стоило бы датчик подкинуть новый
Аватара пользователя
a.lav992@gmail.com
Опытный
Опытный
 
Сообщения: 43
Зарегистрирован: Сб июн 25, 2016 10:18 pm
Откуда: Одесса
Автомобиль: Volvo 850 T5
Клубная карта №: 0


Вернуться в Двигатель

Кто сейчас на конференции

Сейчас этот форум просматривают: нет зарегистрированных пользователей и гости: 0

cron