Вечер добрый. Сегодня весь день промучился с сигнализацией (не штатной) на своей машине. Дело в том, что предыдущий владелец сигналку установил не правильно. Сигналка не реагировала ни на удары, ни на открытие/закрытие дверей, ни на зажигание и при всем при этом после снятия с охраны сама ставится на охрану через 30 секунд. При всем при этом ехать можно, но уж больно раздражает мигание невероятно ядовитой (особенно в темное время суток) синей лампочки прямо в левый глаз. И вот я сегодня решил все сделать по книге (благо инструкция к сигналке прилагалась).
Первое, что меня очень удивило - это концевики передних дверей (кнопки). Они 3х контактные!!! Вернее контакта два и третьим выступает сам корпус кнопки. Что еще больше удивило - два контакта, которые подходят к кнопке по проводам - это "плюс"... Кроме того, когда дверь открыта - масса, которая подается на корпус кнопки перекидывается как раз на эти два плюса (даже разбирал кнопку что бы убедиться) и о чудо - на контактах от проводов плюс пропадает (ничего не искрит/дымит, запаха гари тоже нету)!!!! при чем такая ситуация на двух передних дверях (задние не трогал) - это как??? На лампочки, которые светят под ноги при открытой двери при закрытии двери подается 2 плюса!!! Я если честно в шоке. Это чей то дикий колхоз, или так оно и должно быть?
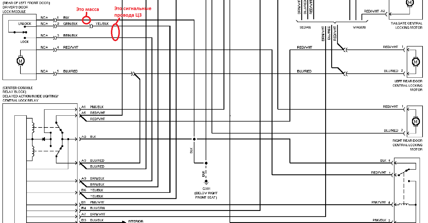
Второй вопрос касается подключения управления ЦЗ сигнализацией. Подключил на прямую к замкам (открытие красный/белый, закрытие красный/синий)- сигналка их не тянет. Слышно что пытается но не тянет. Я так понимаю нужно подключить к сигнальным проводам? Если да - то кто подскажет цвета на открытие желтый/черный и закрытие коричневый/черный?


