Добро пожаловать: гость! Вход | Регистрация Текущее время: Сб апр 18, 2026 3:21 am

Пропало ближнє світло

Генератор, стартер, реле, предохранители, проводка и прочая электрика

Модераторы: Viking, DrEvil

Пропало ближнє світло

Сообщение Kirik » Вт янв 23, 2018 12:01 pm

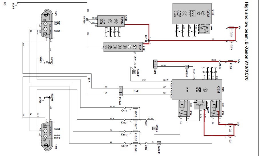
Усім привіт :bye: біля пів року є власником Вольво в70 2,5 тді другої генерації, на днях пропало ближнє світло, і вибило помилку (anomaia faro luce anabaggl ), у першу чергу провірив лампочки(все гуд), запобіжники (все гуд), провірив живлення на них, а там по нулях :o . Прочита дуже багато інфи по блоках СЕМ, але так і не міг знайти точних данних стосовно вольво в70.
Питання наступне, можливо хтось знає де знаходиться реле ближнього світла або шунт який потрібно замінити?

ось такий самий блок СЕМ знаходиться у мене в багажному відсіку
2010-02-07_203716_rem.jpg


п.с. вчора світло появилося, а потім знову пропало(
п.п.с. габарити працюють, дальнє працює, птф працюють
Kirik
Ученик
Ученик
 
Сообщения: 22
Зарегистрирован: Сб мар 23, 2013 8:53 pm
Клубная карта №: 0

Re: Пропало ближнє світло

Сообщение vitalik k » Вт апр 24, 2018 5:40 pm

Модуль СЕМ знаходиться під торпедо біля рульової колонки, а те що на фото це модуль RЕМ який за ближне світло не відповідае. Схеми тут http://www.volvotechinfo.ru/EWD/Rus/index.html
Вложения
Безымянный.jpg
Источник нашей мудрости - наш опыт. Источник нашего опыта - наша глупость. 0677928шесть46
Опыт - это когда на смену вопросам: "Что? Где? Когда? Как? Почему?" приходит единственный вопрос: "Нахрена? "
Аватара пользователя
vitalik k
VIP
VIP
 
Сообщения: 1350
Зарегистрирован: Чт мар 17, 2011 3:48 pm
Откуда: Бровары
Автомобиль: XC90 2.5T
Клубная карта №: 0


Вернуться в Электрическая часть

Кто сейчас на конференции

Сейчас этот форум просматривают: нет зарегистрированных пользователей и гости: 1

cron