Постройка ТТ котла длительного (верхнего) горения
Всем привет!
Насколько я понимаю что не во всех уголках нашей страны есть блага цивилизации в виде природного газа, да и бывает что отопление дома газом обходится в довольно круглую сумму, потому думаю данная тема может и заинтересует кого.
Память детства: пришел со школы - топи котел, проснулся утром - холодно, засмотрелся фильм - прогорело - топи заново. Когда провели газ, очпуел от комфорта, когда приносили счет очпуевал от суммы)))) Короче круговорот очпуеваний в природе)))
Несколько лет назад в поисках твердотопливного (далее ТТ) котла для отопления офисного помещения, отец наткнулся на котел верхнего горения Стропува http://www.stropuva.com.ua/modeli-i-tseny.html хотя и была цена для того года в 2200 евро за 40 кВт-ный котел довольно высокой, но по сравнению с электрическим отоплением получалась вообще халява и окупился он за 1,5 года (отопительных сезона), да и с условием что одной закладки угля хватало до 5 суток, в течении которых можно было не подходить к котлу, был вообще находкой.
На то время они были единственными в Украине котлами верхнего горения, и что то подобное но дешевле в продаже не появлялось. Да и жил я тогда, в квартире и как то особо не парился, но тут переезд - свой домик и т.д. и неуемная пятая точка не дает покоя рукам и голове с подвигала чего то такого сотворить.
Изначально в прошлом году была сделана буржуйка в мастерскую из 50 литрового потекшего бойлера, которая при хороших и сухих дровах горела непрерывно до 6 часов при этом стояла жара в небольшой мастерской.
Поскольку работаю я в сельхозпредприятии, то увидев как скупают отходы от очистки подсолнуха (для изготовления топливных гранул) по 50 грн/тонна решил попробовать топить ими в буржуйке. В обычном котле/буржуйке нижнего горения гореть они будут но очень быстро. Но в буржуйке верхнего горения они горят довольно неплохо и до 3-х часов дают стабильное тепло. Также после чистки сада есть довольно огромная гора веток которые многие просто сжигают, но мне вера не позволяет и я измельчив их трамбую в буржуйку и горят они тоже довольно долго. Также при верхнем горении очень хорошо и долго горят опилки, мебельщикам и столярам на заметку.
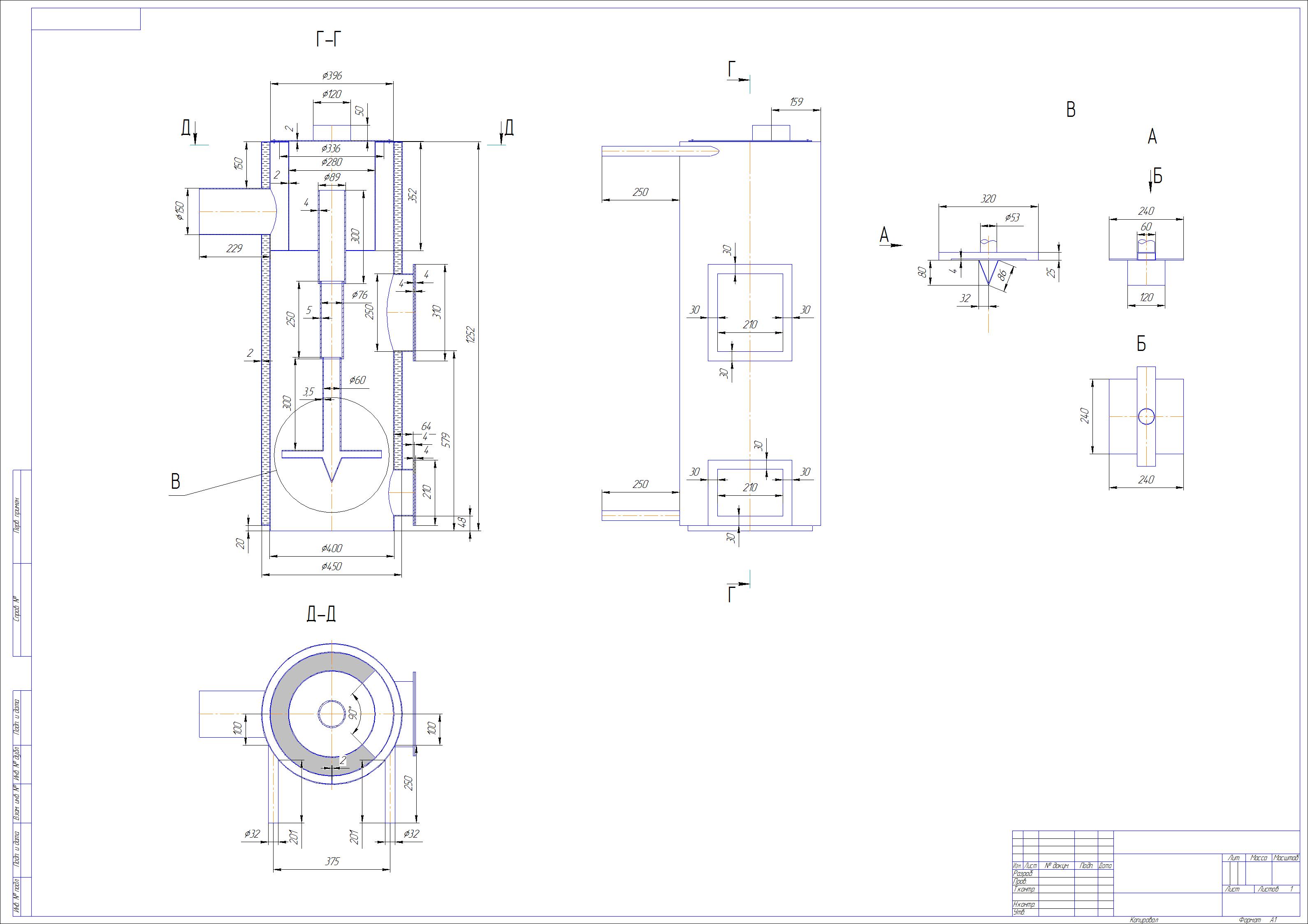
Собственно буржуйка верхнего горения
Насколько я понимаю что не во всех уголках нашей страны есть блага цивилизации в виде природного газа, да и бывает что отопление дома газом обходится в довольно круглую сумму, потому думаю данная тема может и заинтересует кого.
Память детства: пришел со школы - топи котел, проснулся утром - холодно, засмотрелся фильм - прогорело - топи заново. Когда провели газ, очпуел от комфорта, когда приносили счет очпуевал от суммы)))) Короче круговорот очпуеваний в природе)))
Несколько лет назад в поисках твердотопливного (далее ТТ) котла для отопления офисного помещения, отец наткнулся на котел верхнего горения Стропува http://www.stropuva.com.ua/modeli-i-tseny.html хотя и была цена для того года в 2200 евро за 40 кВт-ный котел довольно высокой, но по сравнению с электрическим отоплением получалась вообще халява и окупился он за 1,5 года (отопительных сезона), да и с условием что одной закладки угля хватало до 5 суток, в течении которых можно было не подходить к котлу, был вообще находкой.
На то время они были единственными в Украине котлами верхнего горения, и что то подобное но дешевле в продаже не появлялось. Да и жил я тогда, в квартире и как то особо не парился, но тут переезд - свой домик и т.д. и неуемная пятая точка не дает покоя рукам и голове с подвигала чего то такого сотворить.
Изначально в прошлом году была сделана буржуйка в мастерскую из 50 литрового потекшего бойлера, которая при хороших и сухих дровах горела непрерывно до 6 часов при этом стояла жара в небольшой мастерской.
Поскольку работаю я в сельхозпредприятии, то увидев как скупают отходы от очистки подсолнуха (для изготовления топливных гранул) по 50 грн/тонна решил попробовать топить ими в буржуйке. В обычном котле/буржуйке нижнего горения гореть они будут но очень быстро. Но в буржуйке верхнего горения они горят довольно неплохо и до 3-х часов дают стабильное тепло. Также после чистки сада есть довольно огромная гора веток которые многие просто сжигают, но мне вера не позволяет и я измельчив их трамбую в буржуйку и горят они тоже довольно долго. Также при верхнем горении очень хорошо и долго горят опилки, мебельщикам и столярам на заметку.
Собственно буржуйка верхнего горения

начал изготавливать телескоп подачи воздуха и рекупиратор (подогрев входного воздуха) 
Молодец)) распространённая фича, ну а роликов хватает.


