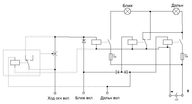
Если будет желание подать сигнал сразу с включением зажигания, нужно добавить то что выделено пунктиром, для того чтобы при включении дальнего не работали обе нити лампы. Но я не стал заморачиватся. Вот схема надеюсь комуто пригодится.![]() |
|
| Добро пожаловать: гость! Вход | Регистрация | Текущее время: Вт апр 21, 2026 9:52 am | |
Если будет желание подать сигнал сразу с включением зажигания, нужно добавить то что выделено пунктиром, для того чтобы при включении дальнего не работали обе нити лампы. Но я не стал заморачиватся. Вот схема надеюсь комуто пригодится.
,кстати , с какого числа вводится эта шняга???

михась писал(а):Добавь датчик освещенности,пусть еще сам и думает.,кстати , с какого числа вводится эта шняга???
С 1 октября.


alexnax писал(а):где то в продаже видел ДХО которые сами включаются когда заводится двигатель, куда подключаются не помню. Но помню задумался... как они это делают?


vnukoff писал(а):Господа, зачем все это? Все-равно будете вкл ближний свет, т.к. за ДХО которые не ставили на заводе будуть драть штраф.... 400гринов. http://autonews.autoua.net/novosti/shtr ... nyali.html У кого 940 тому пох, там туманки вкл вместе с габаритами может проканать вместо ДХО....

vnukoff писал(а):Господа, зачем все это? Все-равно будете вкл ближний свет, т.к. за ДХО которые не ставили на заводе будуть драть штраф.... 400гринов. http://autonews.autoua.net/novosti/shtr ... nyali.html У кого 940 тому пох, там туманки вкл вместе с габаритами может проканать вместо ДХО....

Aleksander писал(а):Был в Черногории там за противотуманки включенные без нужных на то причин ипут по страшному(((

vitalik k писал(а):vnukoff писал(а):Господа, зачем все это? Все-равно будете вкл ближний свет, т.к. за ДХО которые не ставили на заводе будуть драть штраф.... 400гринов. http://autonews.autoua.net/novosti/shtr ... nyali.html У кого 940 тому пох, там туманки вкл вместе с габаритами может проканать вместо ДХО....
Когда светят обе нити в пол накала, визуально как ближний, и в штатном месте. При этом потребление в 3,5 раза меньше.




Stas340 писал(а):на 240, встречалась хрень типа ходовых огней, где нити ближнего света горели в полнакала, типа ярче габаритов но не так ярко как ближний, правда работатло все это толкьо при включенных габаритах




Вернуться в Электрическая часть
Сейчас этот форум просматривают: нет зарегистрированных пользователей и гости: 0