![]() |
|
| Добро пожаловать: гость! Вход | Регистрация | Текущее время: Пн апр 20, 2026 5:12 am | |







,к заводке лучше,работа устойчивей,вроде как и тяга чуть лутше стала,а главное пропали перебои двигателя на оборотах 1500-3000.Это был мрак! 





Alexeevich писал(а):а у меня спойлер низкий. Высокий классно смотриться!




Alexeevich писал(а):Машинка у тебя четкая!
Я в инете нашёл копию, или у меня сохранилась так близко к оригиналу




Alexeevich писал(а):Визуально смотряться хорошо, даже и не скажешь что не родные. Виталик, молодец. Хорошо потрудился.

ZIMA писал(а):Alexeevich писал(а):Визуально смотряться хорошо, даже и не скажешь что не родные. Виталик, молодец. Хорошо потрудился.
Спасибо Леха! Оно того стоит,по крайне мере не переживаю где взять новые если побью.Некоторые скажут что это колхоз,может оно и так,но этот колхоз удобен и не сильно и заметен.



ZIMA писал(а):Эврика!!!!!!Только что успешно было закончено установку переделаного электронного жигулевского зажигания.Работает отлично!Еще раз спасибо тем у кого консультировался!!!!!!!


Рожко Александр писал(а):ZIMA писал(а):Эврика!!!!!!Только что успешно было закончено установку переделаного электронного жигулевского зажигания.Работает отлично!Еще раз спасибо тем у кого консультировался!!!!!!!
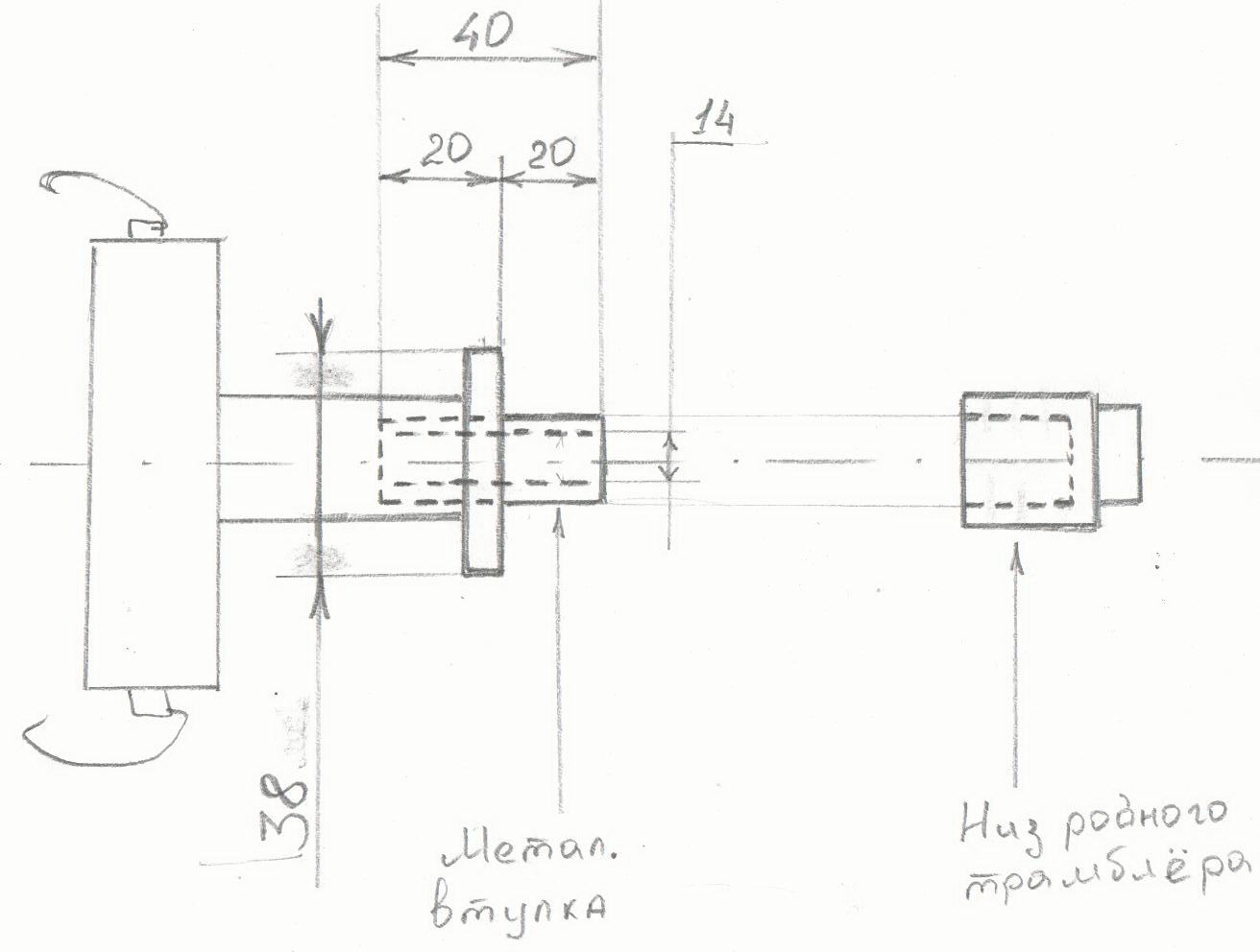
А как ты привод переделал? Меня тоже контактное зажигание достало, подумываю как с жиги притулить.

vovkavolvo360 писал(а):я одного непонимаю зачем делать с вольвы москвич? я видел у нас в городе вольву с фарами от москаля и понял что себе точно непоставлю!проще линзы в фары поставить!уменя отражатели убитые и я себе вставил линзы и очень доволен!


vovkavolvo360 писал(а):я одного непонимаю зачем делать с вольвы москвич? я видел у нас в городе вольву с фарами от москаля и понял что себе точно непоставлю!проще линзы в фары поставить!уменя отражатели убитые и я себе вставил линзы и очень доволен!

vovkavolvo360 писал(а):нет неубирал.



Сейчас этот форум просматривают: нет зарегистрированных пользователей и гости: 1