Хочю заменить сальник кпп на M47R!
Проблема в том что не могу найти вышеупомянутых сальников один лиш номер оригинала которого нет в наличии и нет на него аналогов
Может кто сталкивался с такой проблемой и знает размеры...
![]() |
|
| Добро пожаловать: гость! Вход | Регистрация | Текущее время: Сб апр 18, 2026 10:49 am | |




Aleksandr37 писал(а):Всем добрый вечер )))
Может комуто пригодится )))
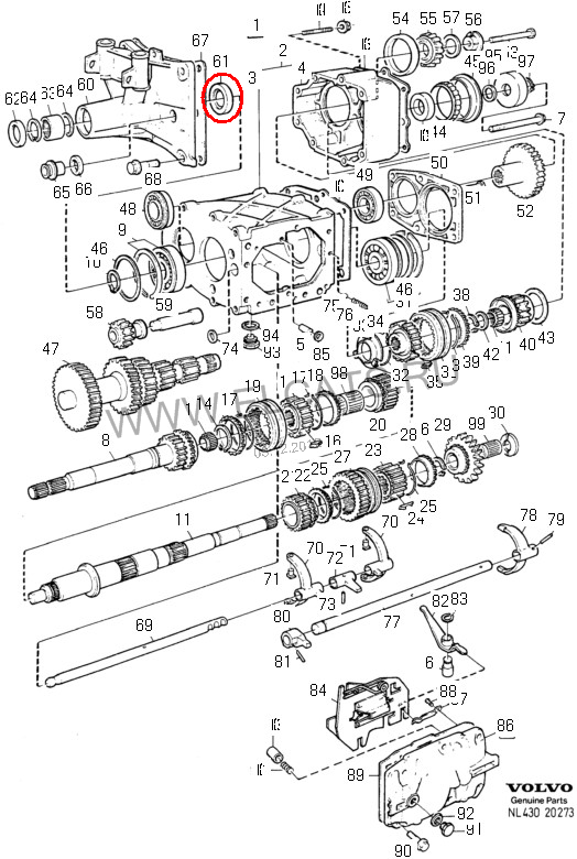
Сегодня добрался до сальника без особых проблем )))
открутил всеголиш 6 болтов на Кулаке, потом 1 болт на приводном фланце )
И просто вытащил его, за ним сразу и скрывался наш проболемный сальник![]()
Его размеры 58-38-10
Маркировка изьятого сальника: BAFU3SKDRW7
После извлечения позвонил в Екзист они нашли сальник но привести его смогут через две недели )))
Долго не думал пошел на рынок купил такой-же только нашего производства за 8 Грн + герметик 10 грн и два хамута по 2 грн и того цена замены сальника вышла 22 грн )))
Не считая масла
Фото Сальника ))
P.C.: Всем спасибо за советы и помощь )))


а нано технологии сказать точный не позволяют
Stas340 писал(а):Внутренний сальник
Оригинальный номер 32924 (после пробела толи 46 толи 48), размер 47х25х10 направление вращения правое (по часовой стрелке),диаметр вала 26
сальник наружный
35х25 высоту не знаю потому как сальника уже нет, но возможна погрешность ибо состояние нано технологий учавствовавших в измерениях оставляюбт желать лучшего
подшипник тож скорее всего на грани, 34*25 высота в районе 25 (обойма пластиковая) роликовый
размер опять же приблизительный ибо доставать в 23,00 его мне точне не хотелосьа нано технологии сказать точный не позволяют



Stas340 писал(а):отчет о проделанной работе в обязательном порядке предоставить![]()
и номер аналога сальника либо номер по кортеко, ну в общем всю информацию


Сейчас этот форум просматривают: нет зарегистрированных пользователей и гости: 0