Добро пожаловать: гость! Вход | Регистрация Текущее время: Пн апр 20, 2026 2:47 am

Подскажите по патрубкам печки volvo850

ДВС, системы подачи топлива, зажигания, смазки, охлаждения и т.пр.

Модераторы: Viking, DrEvil

Подскажите по патрубкам печки volvo850

Сообщение vadim2909 » Сб апр 09, 2016 11:47 am

Доброго времени суток,где у радиатора печки вход и выход ОЖ, и какой патрубок куда подключать Volvo850? за ранее спасибо
vadim2909
Професор
Професор
 
Сообщения: 78
Зарегистрирован: Сб май 17, 2014 7:50 am
Автомобиль: Volvo 850
Клубная карта №: 0

Re: Подскажите по патрубкам печки volvo850

Сообщение booster » Сб апр 09, 2016 1:03 pm

Кажется без разницы, полярности там нет, но есть разная длина трубок и уложить их как-то не так мне показалось трудно. Сам неделю назад перебрал там всю магистраль от мотора к печке, полет нормальный.
VOLVO S70 T5 Steffansson Chip, S60R EX manifold, TD04HL-18T (круизный лайнер...)
Smart Fortwo 0.7Turbo - Поповозка на работу.
Аватара пользователя
booster
VIP
VIP
 
Сообщения: 429
Зарегистрирован: Пн авг 02, 2010 2:16 pm
Откуда: Одесса
Автомобиль: VOLVO S70 T5
Клубная карта №: 99

Re: Подскажите по патрубкам печки volvo850

Сообщение vadim2909 » Вт апр 12, 2016 7:54 am

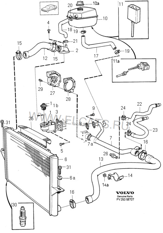
говорят что разница есть,есть у кого то схема или просто где а радиаторе вход ож а где выход?
vadim2909
Професор
Професор
 
Сообщения: 78
Зарегистрирован: Сб май 17, 2014 7:50 am
Автомобиль: Volvo 850
Клубная карта №: 0

Re: Подскажите по патрубкам печки volvo850

Сообщение xoxlov » Вт апр 12, 2016 8:38 am

тяжело каталог открыть?
Вложения
CImage.ashx.png
xoxlov
VIP
VIP
 
Сообщения: 1449
Зарегистрирован: Пт май 31, 2013 10:12 am
Откуда: г.Николаев
Автомобиль: VOLVO S80 T6 AWD
Клубная карта №: 0

Re: Подскажите по патрубкам печки volvo850

Сообщение UASM1Le » Вт апр 12, 2016 9:31 am

Не заметил разницы.
UASM1Le
Опытный
Опытный
 
Сообщения: 35
Зарегистрирован: Сб дек 17, 2011 4:43 pm
Откуда: Киев
Автомобиль: Volvo 850(2.0 T5)
Клубная карта №: 0


  • Похожие темы
    Ответы
    Просмотры
    Последнее сообщение

Вернуться в Двигатель

Кто сейчас на конференции

Сейчас этот форум просматривают: нет зарегистрированных пользователей и гости: 1

cron