Добро пожаловать: гость! Вход | Регистрация Текущее время: Пт апр 17, 2026 2:44 pm

Неверное положение моста Volvo940

КПП, сцепление, карданный вал, мост, привода, ШРУСы и т.п.

Модераторы: Viking, DrEvil

Неверное положение моста Volvo940

Сообщение Бабеныч » Вс ноя 06, 2016 11:49 am

Всем здравствуйте. Являюсь счастливым обладателем автомобиля Volvo 940 B230GK 1998 г.в.. Автомобиль покупал в 2011 году. За время эксплуатации больших проблем с машиной не было (так, по мелочи). В первую же зиму заметил, что на хотя бы немного скользкой дороге при сильной подаче газа автомобиль начинает разворачивать. Но волноваться не стал, т.к. езжу очень аккуратно. Короче, отложил эту проблему на потом, тем более, что на сухой дороге этой проблемы нет, резину не жрет. В этом году после замены резинок подвески, тяг и наконечников впервые (!!!) поехал на электронный стенд развал-схождения (до этого данная операция проводилась в гаражных условиях). "Мастер", который делал развал-схождение сказал, что задний мост "Развернут" относительно кузова, т.е. не параллельно предполагаемой оси передних колес. Я попросил его выяснить причину и, по возможности, исправить ее. Но он отмазался тем, что много работы, а может просто не захотел разбираться в "геометрии". И вот выпал первый снежок, немного подмерзло и я просто обалдел! На машине стало невозможно ехать: нажимаю на газ еле-еле и машину сразу начинает вертеть (разворачивать). Кстати, мост обычный, без блокировки. Теперь вопрос: чем (какими рычагами или сайлентами) задается именно этот угол положения заднего моста?
Аватара пользователя
Бабеныч
Опытный
Опытный
 
Сообщения: 38
Зарегистрирован: Пт июн 22, 2012 6:54 pm
Откуда: Луганская область, Свердловск
Автомобиль: VOLVO 940 B230GK
Клубная карта №: 0

Re: Неверное положение моста Volvo940

Сообщение vnukoff » Вс ноя 06, 2016 12:46 pm

Бабеныч писал(а):И вот выпал первый снежок, немного подмерзло и я просто обалдел! На машине стало невозможно ехать: нажимаю на газ еле-еле и машину сразу начинает вертеть (разворачивать). Кстати, мост обычный, без блокировки. Теперь вопрос: чем (какими рычагами или сайлентами) задается именно этот угол положения заднего моста?

Резина зимняя? На летней именно так и будет.
На заднем мосту не делают схождение и развал, на передних колёсах только схождение.
Попробуйте поменять мастера. Если бы мост стоял раком то износ резины был бы очевиден.
Изображение
Аватара пользователя
vnukoff
VIP
VIP
 
Сообщения: 1307
Зарегистрирован: Чт янв 01, 1970 3:00 am
Откуда: Одесса
Автомобиль: Volvo v70 d4 , 740
Клубная карта №: 0

Re: Неверное положение моста Volvo940

Сообщение Бабеныч » Вс ноя 06, 2016 1:21 pm

Резина зимняя. Я знаю, что на заднем мосту не делают. Но, возможно, машина побывала в аварии и изменилась геометрия кузова, а может просто погнулся какой-либо рычаг, хотя визуально этого не видно? Куда смотреть? Ведь стенд показал отклонение?
Аватара пользователя
Бабеныч
Опытный
Опытный
 
Сообщения: 38
Зарегистрирован: Пт июн 22, 2012 6:54 pm
Откуда: Луганская область, Свердловск
Автомобиль: VOLVO 940 B230GK
Клубная карта №: 0

Re: Неверное положение моста Volvo940

Сообщение Евгений » Вс ноя 06, 2016 4:40 pm

Для начала, я бы посоветовал поехать на лазерный развал, а не компьютер. Очень может быть, что проблема в датчиках на стенде. Пусть человек сделает схождение ручками.
Вольво не потакает толпе, ее машины развиваются логично и разумно.
093-878-58-57
Аватара пользователя
Евгений
VIP
VIP
 
Сообщения: 1384
Зарегистрирован: Вт июн 02, 2009 6:14 pm
Откуда: Харьков
Автомобиль: Volvo360 Mersedes
Клубная карта №: 0

Re: Неверное положение моста Volvo940

Сообщение Бабеныч » Вс ноя 06, 2016 6:21 pm

Может, я неверно выразился. Под выражением "электронный стенд" я имел ввиду, что машину загоняют в бокс над ямой, подкачивают все колеса до одинакового давления, цепляют на них лазерные датчики, специальной приспособой фиксируют тормоз, а потом крутят тяги именно "ручками". На мониторе компьютера виден результат. Я только что пошел к машине, померял на глаз расстояние от края колеса до колесной арки. С одной стороны могу свободно вставить 4 пальца руки, а с другой стороны только 3. Мост явно не на месте.
Аватара пользователя
Бабеныч
Опытный
Опытный
 
Сообщения: 38
Зарегистрирован: Пт июн 22, 2012 6:54 pm
Откуда: Луганская область, Свердловск
Автомобиль: VOLVO 940 B230GK
Клубная карта №: 0

Re: Неверное положение моста Volvo940

Сообщение xoxlov » Вс ноя 06, 2016 6:36 pm

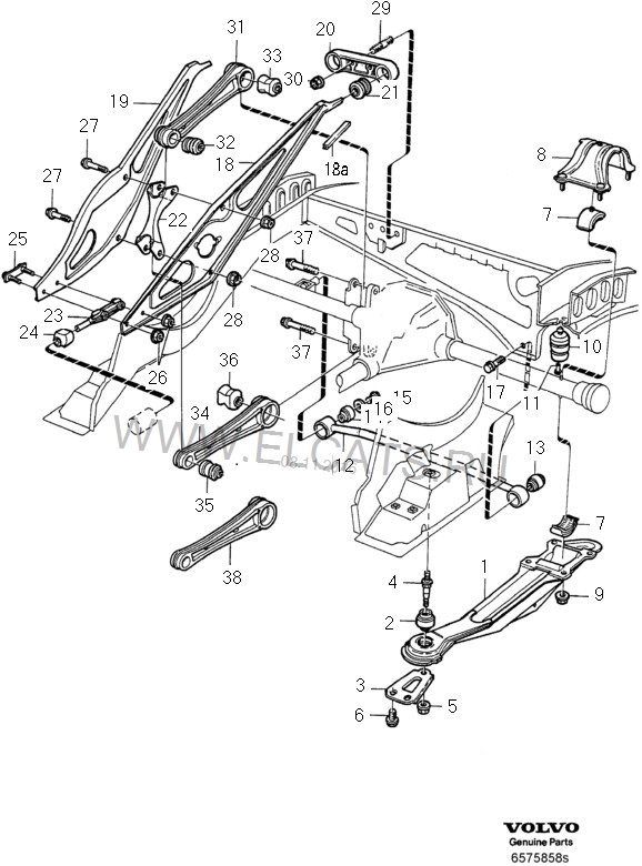
Мост относительно кузова центрируется продольными рычагами. Вот их и смотри. Рулеткой измерь контрольные точки.
может сайлентам гаплык.
Изображение
xoxlov
VIP
VIP
 
Сообщения: 1449
Зарегистрирован: Пт май 31, 2013 10:12 am
Откуда: г.Николаев
Автомобиль: VOLVO S80 T6 AWD
Клубная карта №: 0

Re: Неверное положение моста Volvo940

Сообщение Бабеныч » Вт ноя 08, 2016 9:16 am

Я так понял, эти сайленты в каталоге под № 2?
задняя подвеска.ashx.jpg
Аватара пользователя
Бабеныч
Опытный
Опытный
 
Сообщения: 38
Зарегистрирован: Пт июн 22, 2012 6:54 pm
Откуда: Луганская область, Свердловск
Автомобиль: VOLVO 940 B230GK
Клубная карта №: 0

Неверное положение моста Volvo940

Сообщение kyrnikov.o_1985 » Ср мар 28, 2018 10:41 pm

это у тебя надо менять сальник редуктора заднего моста, для этого надо снять кардан. сам сальник копейки стоит.
kyrnikov.o_1985
Новичок
Новичок
 
Сообщения: 2
Зарегистрирован: Пт авг 11, 2017 3:45 pm
Автомобиль: BMW
Клубная карта №: 0


Вернуться в Трансмиссия

Кто сейчас на конференции

Сейчас этот форум просматривают: нет зарегистрированных пользователей и гости: 0

cron