Добро пожаловать: гость! Вход | Регистрация Текущее время: Сб апр 18, 2026 8:10 am

Сайлентблоки вольво 440

Колеса, шины, тормоза, аммортизаторы, рулевое управление и прочее

Модераторы: Viking, DrEvil

Re: Сайлентблоки вольво 440

Сообщение Rom » Пн июл 11, 2011 4:08 pm

ARTIS писал(а):
Rom писал(а):но при большом желании старые сайленты оттуда вынимаются и с доработками ставятся сайленты от Ауди.
Я бы не назвал это доработками. Отрезать болгаркой выступающие концы - разве это доработка?.. :)

Ну это утрировано, кто как понимает 8-) :?
Была 440 В18КР 89г. Сейчас лачик 2005 г. 1,8 SX
050-551-09-8два
Аватара пользователя
Rom
VIP
VIP
 
Сообщения: 3213
Зарегистрирован: Чт янв 01, 1970 3:00 am
Откуда: Донецкая обл., г. Краматорск
Автомобиль: Chevrolet Lacetti
Клубная карта №: 0

Re: Сайлентблоки вольво 440

Сообщение volvo440GL » Пн июл 11, 2011 4:48 pm

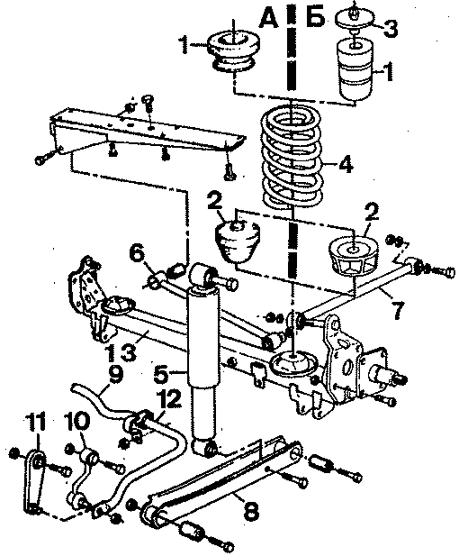
Вот нашел более подробный рисунок
Я так понимаю они в рычаг под номером 8 идут?
Вложения
p066_3.gif
(11.91 Кб) Скачиваний: 254
Аватара пользователя
volvo440GL
VIP
VIP
 
Сообщения: 512
Зарегистрирован: Ср ноя 11, 2009 12:37 pm
Откуда: Николаев
Автомобиль: 440GL
Клубная карта №: 0

Re: Сайлентблоки вольво 440

Сообщение Rom » Пн июл 11, 2011 4:59 pm

volvo440GL писал(а):Вот нашел более подробный рисунок
Я так понимаю они в рычаг под номером 8 идут?

Да под номером 8 это передние-задние продольные тяги!
Была 440 В18КР 89г. Сейчас лачик 2005 г. 1,8 SX
050-551-09-8два
Аватара пользователя
Rom
VIP
VIP
 
Сообщения: 3213
Зарегистрирован: Чт янв 01, 1970 3:00 am
Откуда: Донецкая обл., г. Краматорск
Автомобиль: Chevrolet Lacetti
Клубная карта №: 0

Re: Сайлентблоки вольво 440

Сообщение volvo440GL » Вт июл 12, 2011 9:30 am

сегодня заглянул под машину - у меня еще и стабилизатор есть.
Проблема в том что я поехал на сто они глянули и говорят менять нужно все сайленты, а какие где чего не сказали.
Вот я и выясняю хоть сколько их там и какие мне нужны. Спасибо что помогаете
Аватара пользователя
volvo440GL
VIP
VIP
 
Сообщения: 512
Зарегистрирован: Ср ноя 11, 2009 12:37 pm
Откуда: Николаев
Автомобиль: 440GL
Клубная карта №: 0

Re: Сайлентблоки вольво 440

Сообщение Rom » Вт июл 12, 2011 9:43 am

volvo440GL писал(а):сегодня заглянул под машину - у меня еще и стабилизатор есть.
Проблема в том что я поехал на сто они глянули и говорят менять нужно все сайленты, а какие где чего не сказали.
Вот я и выясняю хоть сколько их там и какие мне нужны. Спасибо что помогаете

Я ж тебе уже считал, 6 сайлентов и 2 тяги, если будешь ставить сайленты от ауди то 8 сайлентов, плюс 2 тяжки стаба под номером 10 (я незнаю перепрессовываются они или нет, у меня их нет)) ну и резинки самого стаба их там помоему 2 штучки (может от нашего совавтопрома подойдут, у меня этого тоже нет). Вот как-то так.
Была 440 В18КР 89г. Сейчас лачик 2005 г. 1,8 SX
050-551-09-8два
Аватара пользователя
Rom
VIP
VIP
 
Сообщения: 3213
Зарегистрирован: Чт янв 01, 1970 3:00 am
Откуда: Донецкая обл., г. Краматорск
Автомобиль: Chevrolet Lacetti
Клубная карта №: 0

Re: Сайлентблоки вольво 440

Сообщение ARTIS » Вт июл 12, 2011 9:49 am

Rom писал(а):плюс 2 тяжки стаба под номером 10 (я незнаю перепрессовываются они или нет, у меня их нет)) ну и резинки самого стаба их там помоему 2 штучки (может от нашего совавтопрома подойдут, у меня этого тоже нет).

Я менял эту тяжку (стойка стабилизатора) в сборе. Она, по-моему, и не ремонтируется, по крайней мере, я про такое не слыхал. Сейчас вот собираюсь вторую менять. А резинки (втулки стабилизатора) - так они копейки стоят, нет смысла заморачиваться с подбором аналогов. Хотя, конечно, с совавтопрома будут стоить ещё дешевле.
Аватара пользователя
ARTIS
VIP
VIP
 
Сообщения: 185
Зарегистрирован: Ср янв 05, 2011 3:12 pm
Откуда: г.Чернигов
Автомобиль: XC60, XC90
Клубная карта №: 0

Re: Сайлентблоки вольво 440

Сообщение Rom » Вт июл 12, 2011 9:51 am

ARTIS писал(а):
Rom писал(а):плюс 2 тяжки стаба под номером 10 (я незнаю перепрессовываются они или нет, у меня их нет)) ну и резинки самого стаба их там помоему 2 штучки (может от нашего совавтопрома подойдут, у меня этого тоже нет).

Я менял эту тяжку (стойка стабилизатора) в сборе. Она, по-моему, и не ремонтируется, по крайней мере, я про такое не слыхал. Сейчас вот собираюсь вторую менять. А резинки (втулки стабилизатора) - так они копейки стоят, нет смысла заморачиваться с подбором аналогов. Хотя, конечно, с совавтопрома будут стоить ещё дешевле.

У меня просто нет таких деталюх, и стаба тоже нет :? , хотя мысль иногда посещает поставить универсальный стаб.
Была 440 В18КР 89г. Сейчас лачик 2005 г. 1,8 SX
050-551-09-8два
Аватара пользователя
Rom
VIP
VIP
 
Сообщения: 3213
Зарегистрирован: Чт янв 01, 1970 3:00 am
Откуда: Донецкая обл., г. Краматорск
Автомобиль: Chevrolet Lacetti
Клубная карта №: 0

Re: Сайлентблоки вольво 440

Сообщение ARTIS » Вт июл 12, 2011 9:54 am

Rom писал(а):мысль иногда посещает поставить универсальный стаб.

А он, вообще, что-то даёт(кроме дополнительных расходов на замену втулок и стоек)?.. Интересно, надо будет как-нибудь открутить свой и попробовать проехать. ) Будет ли разница?..
Аватара пользователя
ARTIS
VIP
VIP
 
Сообщения: 185
Зарегистрирован: Ср янв 05, 2011 3:12 pm
Откуда: г.Чернигов
Автомобиль: XC60, XC90
Клубная карта №: 0

Re: Сайлентблоки вольво 440

Сообщение Rom » Вт июл 12, 2011 10:19 am

ARTIS писал(а):
Rom писал(а):мысль иногда посещает поставить универсальный стаб.

А он, вообще, что-то даёт(кроме дополнительных расходов на замену втулок и стоек)?.. Интересно, надо будет как-нибудь открутить свой и попробовать проехать. ) Будет ли разница?..

хз если честно незнаю, я особо не гоняю быстро, в повороты вхожу без свиста, как бы может и не нужен он мне вовсе.
Была 440 В18КР 89г. Сейчас лачик 2005 г. 1,8 SX
050-551-09-8два
Аватара пользователя
Rom
VIP
VIP
 
Сообщения: 3213
Зарегистрирован: Чт янв 01, 1970 3:00 am
Откуда: Донецкая обл., г. Краматорск
Автомобиль: Chevrolet Lacetti
Клубная карта №: 0

Re: Сайлентблоки вольво 440

Сообщение volvo440GL » Вт июл 12, 2011 11:26 am

Мужики,
Вобщем подитожим
Я покупаю
4 ре сайлента в передние-задние продольные тяги которые под номером 8 (на экзисте их нет)
4 ре сайлента от ауди 80 в Толкающий рычаг задней подвески - в простонародье - тяжки (у нас по 35 грн за сайлент)
По стабилизатору я в затруднении, есть он у меня или нет - помоему нет, я заглянул под машину увидел тягу большую поперек машины уже после моста - подумал что это и есть стабилизатор- но помоему это просто тяга.
Буду дозваниваться Максу или Спартаку
Аватара пользователя
volvo440GL
VIP
VIP
 
Сообщения: 512
Зарегистрирован: Ср ноя 11, 2009 12:37 pm
Откуда: Николаев
Автомобиль: 440GL
Клубная карта №: 0

Re: Сайлентблоки вольво 440

Сообщение Rom » Вт июл 12, 2011 11:29 am

volvo440GL писал(а):Мужики,
Вобщем подитожим
Я покупаю
4 ре сайлента в передние-задние продольные тяги которые под номером 8 (на экзисте их нет)
4 ре сайлента от ауди 80 в Толкающий рычаг задней подвески - в простонародье - тяжки (у нас по 35 грн за сайлент)
По стабилизатору я в затруднении, есть он у меня или нет - помоему нет, я заглянул под машину увидел тягу большую поперек машины уже после моста - подумал что это и есть стабилизатор- но помоему это просто тяга.
Буду дозваниваться Максу или Спартаку

Ну впринципе так, а еще 2 сайлента в поперечную тягу???
Была 440 В18КР 89г. Сейчас лачик 2005 г. 1,8 SX
050-551-09-8два
Аватара пользователя
Rom
VIP
VIP
 
Сообщения: 3213
Зарегистрирован: Чт янв 01, 1970 3:00 am
Откуда: Донецкая обл., г. Краматорск
Автомобиль: Chevrolet Lacetti
Клубная карта №: 0

Re: Сайлентблоки вольво 440

Сообщение ARTIS » Вт июл 12, 2011 11:40 am

volvo440GL писал(а):По стабилизатору я в затруднении, есть он у меня или нет - помоему нет, я заглянул под машину увидел тягу большую поперек машины уже после моста - подумал что это и есть стабилизатор- но помоему это просто тяга.

Тяга стоит сзади балки. Установлена она не ровно, а на перекос. Нижним левым концом крепится непосредственно к балке через сайлентблок, а правым верхним - к кузову (тоже через сайлентблок). А стабилизатор стоит спереди балки и установлен ровно горизонтально. Судя по Вашим описаниям, у Вас именно поперечная тяга, а стабилизатора просто нету (сэкономите на стойках и втулках стаба :D ).
Аватара пользователя
ARTIS
VIP
VIP
 
Сообщения: 185
Зарегистрирован: Ср янв 05, 2011 3:12 pm
Откуда: г.Чернигов
Автомобиль: XC60, XC90
Клубная карта №: 0

Re: Сайлентблоки вольво 440

Сообщение volvo440GL » Вт июл 12, 2011 11:57 am

Rom писал(а):
volvo440GL писал(а):Мужики,
Вобщем подитожим
Я покупаю
4 ре сайлента в передние-задние продольные тяги которые под номером 8 (на экзисте их нет)
4 ре сайлента от ауди 80 в Толкающий рычаг задней подвески - в простонародье - тяжки (у нас по 35 грн за сайлент)
По стабилизатору я в затруднении, есть он у меня или нет - помоему нет, я заглянул под машину увидел тягу большую поперек машины уже после моста - подумал что это и есть стабилизатор- но помоему это просто тяга.
Буду дозваниваться Максу или Спартаку

Ну впринципе так, а еще 2 сайлента в поперечную тягу???


Да да! я о них забыл! они есть на экзисте по 125 грн штука.

А стаба действительно нет - экономия!! :idea:

Что нужно еще докупать ? болты? гайки? чтоб я потом не бегал по магазинам в спешке искал - хочу чтоб сразу все было с запасом!
Аватара пользователя
volvo440GL
VIP
VIP
 
Сообщения: 512
Зарегистрирован: Ср ноя 11, 2009 12:37 pm
Откуда: Николаев
Автомобиль: 440GL
Клубная карта №: 0

Re: Сайлентблоки вольво 440

Сообщение ARTIS » Вт июл 12, 2011 12:12 pm

volvo440GL писал(а):Что нужно еще докупать ? болты? гайки?

Ну тут всё зависит от того, как оно снимется. Может, и ничего не придётся докупать, а может....
По остальным ничего не скажу, ещё не менял, а по задним тягам (в которых сайленты с Ауди) - Мне пришлось поставить новый болт в верхнем креплении (которое к кузову), потому как старый я срезал болгаркой - иначе не откручивался. Болт там самый обычный, диаметр - 10 мм, длина - надо мерить по сайленту, что бы хватило на его ширину плюс запас. С нижним креплением сложнее, там болт не обычный, поэтому лучше попытаться его снять без хирургических методов. Гайки мне тоже пришлось заменить, потому что выбивал болты вместе с гайками (что бы не повредить сам болт), ну и гайки пришлось слегка изувечить.
А вообще, для пущей уверенности лучше сразу закупиться болтами под все сайленты. Тем более, что стоят они копейки, а в случае чего никуда бежать не придётся.
Аватара пользователя
ARTIS
VIP
VIP
 
Сообщения: 185
Зарегистрирован: Ср янв 05, 2011 3:12 pm
Откуда: г.Чернигов
Автомобиль: XC60, XC90
Клубная карта №: 0

Re: Сайлентблоки вольво 440

Сообщение ARTIS » Вт июл 12, 2011 12:15 pm

Да, и, если есть возможность, лучше накануне (например, за вечером за день до мероприятия) хорошенько залить все болты вд-шкой. Потом меньше проблем будет.
Аватара пользователя
ARTIS
VIP
VIP
 
Сообщения: 185
Зарегистрирован: Ср янв 05, 2011 3:12 pm
Откуда: г.Чернигов
Автомобиль: XC60, XC90
Клубная карта №: 0

Re: Сайлентблоки вольво 440

Сообщение Rom » Вт июл 12, 2011 12:40 pm

+100 на ночь заливай все болты подвески вдэшкой или тормозной жидкостью, потом будет намного легче откручивать. Когда будешь откручивать, сначала пробуй гайку немного как-бы на закручивание сдвинуть, а потом уже пробовать потихоньку назад откручивать, иначе если будешь крутить сразу со срывом, можешь пообламывать болты, ну а если уже совсем все будет плохо тогда болгарка, зубило и такая-то мать и вперед. Удачи в ремонте. :-P
Была 440 В18КР 89г. Сейчас лачик 2005 г. 1,8 SX
050-551-09-8два
Аватара пользователя
Rom
VIP
VIP
 
Сообщения: 3213
Зарегистрирован: Чт янв 01, 1970 3:00 am
Откуда: Донецкая обл., г. Краматорск
Автомобиль: Chevrolet Lacetti
Клубная карта №: 0

Re: Сайлентблоки вольво 440

Сообщение ARTIS » Вт июл 12, 2011 1:27 pm

У меня, как ни странно, с гайками вообще проблем не было. Ключ + отрезок трубы + совсем небольшое усилие и с пару толчков гайки пошли, как свеженькие. Хоть и на ночь не заливал ничем. ВД-шкой полил минут за 10 до откручивания, но, думаю, за это время она мало что успела сделать. У меня главная проблема была только в прикипании болта к сайленту. Вот там уж и болгарка в ход шла, и горелка, ну и, естественно, без такой-то матери не обошлось ))
Аватара пользователя
ARTIS
VIP
VIP
 
Сообщения: 185
Зарегистрирован: Ср янв 05, 2011 3:12 pm
Откуда: г.Чернигов
Автомобиль: XC60, XC90
Клубная карта №: 0

Re: Сайлентблоки вольво 440

Сообщение Малыш » Сб авг 03, 2013 9:52 pm

Подскажите номера сайлентблоков от ауди а то их там дохр-а
Люди как свечи:одни горят,а других только в жопу(Фаина Раневская)0505217176 Владимир
Аватара пользователя
Малыш
Опытный
Опытный
 
Сообщения: 44
Зарегистрирован: Вс июл 14, 2013 8:44 pm
Откуда: Крым Россия Симферополь-Луганск
Автомобиль: volvo440
Клубная карта №: 0

Re: Сайлентблоки вольво 440

Сообщение Малыш » Вс авг 04, 2013 12:12 pm

Люди как свечи:одни горят,а других только в жопу(Фаина Раневская)0505217176 Владимир
Аватара пользователя
Малыш
Опытный
Опытный
 
Сообщения: 44
Зарегистрирован: Вс июл 14, 2013 8:44 pm
Откуда: Крым Россия Симферополь-Луганск
Автомобиль: volvo440
Клубная карта №: 0

Re: Сайлентблоки вольво 440

Сообщение romko77 » Ср мар 26, 2014 12:37 am

Окремо для поздовжньої задньої тяги є сайлент для фірми TeD-Gum 00742643 на http://www.real-avto.com.ua ціна від 74- 95 грн за штуку, або оригінал 411806 ( в природі окремо від тяги не продаються), Сайлент TeD-Gum виготовлений в металевій обоймі а не в пластмасовій як оригінал але запресувався відмінно :moil:
Аватара пользователя
romko77
Новичок
Новичок
 
Сообщения: 2
Зарегистрирован: Вт июн 25, 2013 12:03 pm
Автомобиль: volvo 440 gl
Клубная карта №: 0

Пред.

Вернуться в Подвеска

Кто сейчас на конференции

Сейчас этот форум просматривают: нет зарегистрированных пользователей и гости: 0

cron