![]() |
|
| Добро пожаловать: гость! Вход | Регистрация | Текущее время: Пт апр 17, 2026 9:22 pm | |



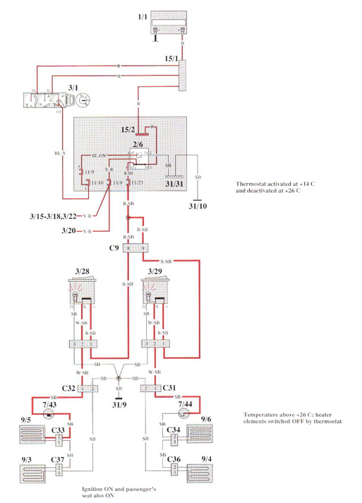
Григорий писал(а):Спасибо Дима,я так понял реле ограничивающего температуру нагревания нет,есть обычное реле на включение и две кнопки.Или все таки есть термореле,не пойму что на схеме под номером 7\43,7\44,похоже на датчик веса.

Григорий писал(а):Спасибо Дима,я так понял реле ограничивающего температуру нагревания нет,есть обычное реле на включение и две кнопки.Или все таки есть термореле,не пойму что на схеме под номером 7\43,7\44,похоже на датчик веса.


Григорий писал(а):,какое должно стоять термо реле и где его искать.



Какой брал не помнишь?Андрей-Volvo писал(а):Дим я так скручивал но скруток стало больше 15 ) я не мучался я отодрал не рабочие и пошел на авторынок и купил подогрев ) и все ок) только нужно брать 30-70 ватт)


,потихоньку ремонтирую.
Андрей-Volvo писал(а):Дим я так скручивал но скруток стало больше 15 ) я не мучался я отодрал не рабочие и пошел на авторынок и купил подогрев ) и все ок) только нужно брать 30-70 ватт)

.Летом сидушки перебирал,подогрев не нужен был
,но на всякий случай прибором прозвонил.Может завтра доберусь до магазина,посмотрю накидки на сиденья,да с них поставить нагреватель.Нужны две кнопки на подогрев,что за релюха стоит в жмуте подлокотника?

,да и отправитель тоже молодец- отдал новой почте голый насос,те запаковали его обернув несколько раз пленкой и хватит,типа это железяка че ей станется.В итоге коцнутая резьба на входном вале,ударено ухо крепления насоса и согнута газовая тяга.Опять в поисках насоса,в отправителя остался только насос с турбокоректором,или брать тот что есть.


.















Вернуться в 7xx | 9xx | s90 Series
Сейчас этот форум просматривают: нет зарегистрированных пользователей и гости: 1