Добро пожаловать: гость! Вход | Регистрация Текущее время: Пт апр 17, 2026 8:33 pm

940-й чемоданчик

Модераторы: Viking, DrEvil

Re: 940-й чемоданчик

Сообщение cyrax » Ср авг 24, 2016 10:46 pm

Dr.V писал(а):на замітку:
- 347031 поставлено салонний фільтр.

Трохи поїздив, перші враження:
1. Щоб фільтр створював сильний опір попаданнню повітря - не зауважив. Думаю, що такий ж опір створював мусор на випаровувачі, тому й різниці невідчутно.
2. Після пройдених 400 км салон від пилюки витирати не потрібно зовсім, її в салоні просто не має.
3. Кондиціонер працює прекрасно.
4. Може суб"єктивно, але здається, що й запахи з вулиці попадають в салон менше, хоча фільтр не вугільний.

Ще б у сильний дощ поїздити, подивитись, як там буде з намоканням фільтра.....

Й таке питаннячко, до цього ще далеко, але щоб уяснити на майбутнє: Як часто хто міняє фільт салону? Чи його міняють з такою ж періодичністю, як й повітряний фільтр двигуна?

ну насколько я наслышан то да все фильтра идут под замену с маслом включая и салон
Изображение

Езда — это лучшее удовольствие, которое можно получить, не снимая штаны.
Аватара пользователя
cyrax
VIP
VIP
 
Сообщения: 235
Зарегистрирован: Чт апр 09, 2015 10:30 pm
Откуда: Николаев
Автомобиль: VolvO 760
Клубная карта №: 0

Re: 940-й чемоданчик

Сообщение Dr.V » Ср авг 24, 2016 11:28 pm

cyrax писал(а):
Dr.V писал(а):на замітку:
- 347031 поставлено салонний фільтр.

Трохи поїздив, перші враження:
1. Щоб фільтр створював сильний опір попаданнню повітря - не зауважив. Думаю, що такий ж опір створював мусор на випаровувачі, тому й різниці невідчутно.
2. Після пройдених 400 км салон від пилюки витирати не потрібно зовсім, її в салоні просто не має.
3. Кондиціонер працює прекрасно.
4. Може суб"єктивно, але здається, що й запахи з вулиці попадають в салон менше, хоча фільтр не вугільний.

Ще б у сильний дощ поїздити, подивитись, як там буде з намоканням фільтра.....

Й таке питаннячко, до цього ще далеко, але щоб уяснити на майбутнє: Як часто хто міняє фільт салону? Чи його міняють з такою ж періодичністю, як й повітряний фільтр двигуна?

ну насколько я наслышан то да все фильтра идут под замену с маслом включая и салон


Інтервали по заміні фільтрів різні. Зрозуміло, що масляний фільтр міняється з маслом. Я його міняю кожні 6тис. Повітряний фільтр я міняю на кожних 12 тис......
З/П ТА ІНШЕ НЕ ПРОДАЮ!!!!

Мій любий краю, неповинний!
За що тебе Господь кара,
Карає тяжко!
(ОСІЇ ГЛАВА XIV.)
Аватара пользователя
Dr.V
VIP
VIP
 
Сообщения: 865
Зарегистрирован: Вт июл 14, 2009 8:36 pm
Откуда: Миколаїв
Автомобиль: Volvo 940
Клубная карта №: 51

Re: 940-й чемоданчик

Сообщение janson » Чт сен 01, 2016 6:38 pm

Фильтр салона.jpg
Фильтр салона.jpg (48.86 Кб) Просмотров: 14520
Салонный фильтр на 940 существует. Мне даже находили его в Харькове за 200 грн. Только у меня на ту пору не было их. Quinton Hazell QAP593
Аватара пользователя
janson
VIP
VIP
 
Сообщения: 390
Зарегистрирован: Вт янв 14, 2014 4:07 pm
Откуда: Киев
Автомобиль: Volvo 944 2.3 бенз
Клубная карта №: 0

Re: 940-й чемоданчик

Сообщение MOOSE » Чт сен 01, 2016 6:49 pm

janson писал(а):
Фильтр салона.jpg
Салонный фильтр на 940 существует. Мне даже находили его в Харькове за 200 грн. Только у меня на ту пору не было их. Quinton Hazell QAP593

есть еще 3F QUALITY 312
"Единственный способ не быть жертвой — это быть палачом.."
Аватара пользователя
MOOSE
VIP
VIP
 
Сообщения: 3719
Зарегистрирован: Пн ноя 07, 2011 5:10 pm
Откуда: Київ
Автомобиль: Volvo 760 IBS
Клубная карта №: 0

Re: 940-й чемоданчик

Сообщение Dr.V » Чт сен 01, 2016 9:10 pm

MOOSE писал(а):есть еще 3F QUALITY 312


замовити не змiг.....
З/П ТА ІНШЕ НЕ ПРОДАЮ!!!!

Мій любий краю, неповинний!
За що тебе Господь кара,
Карає тяжко!
(ОСІЇ ГЛАВА XIV.)
Аватара пользователя
Dr.V
VIP
VIP
 
Сообщения: 865
Зарегистрирован: Вт июл 14, 2009 8:36 pm
Откуда: Миколаїв
Автомобиль: Volvo 940
Клубная карта №: 51

Re: 940-й чемоданчик

Сообщение Dr.V » Сб окт 22, 2016 10:58 pm

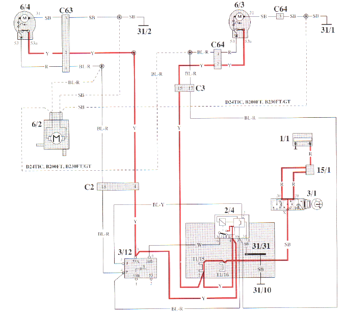
Завмер у незрозумілому положенні двірник омивача лівої фари. Вирішив розібратись, як там влаштовано його електродвигун. Зняв його з авто й підключив до БЖ, замість перемикача двірників поставив кнопку. По влаштуванню електроприводу все нормально описано ось тут: http://www.svr.moscowvolvoclub.ru/index.php?v1_46=1. Правда, там помилково вказано призначення проводів, це трохи, збило з толку, але глянув у схему й все стало на свої місця.:
"Три провода:
один из них масса - черного цвета;
второй постоянный +12В от АКБ - красного цвета (поправка - див. схему ЖОВТИЙ);
третий желтый управляющий +12В, подается для старта двигателя из мертвой точки - желтого цвета. (поправка див. схему - ЧЕРВОНИЙ. Плюс появляється на контакті Р перемикача двірників при його переводі в положення 4. див. діаграму роботи перемикача) "

Контакти кінцевика були закидані змаскою. Все почистив. Перевірив при живленні від БЖ, буде жити... Ставимо на авто.
Вложения
2.jpg
3.jpg
5.jpg
Снимок.PNG
6.jpg
диаграмма.PNG
З/П ТА ІНШЕ НЕ ПРОДАЮ!!!!

Мій любий краю, неповинний!
За що тебе Господь кара,
Карає тяжко!
(ОСІЇ ГЛАВА XIV.)
Аватара пользователя
Dr.V
VIP
VIP
 
Сообщения: 865
Зарегистрирован: Вт июл 14, 2009 8:36 pm
Откуда: Миколаїв
Автомобиль: Volvo 940
Клубная карта №: 51

Re: 940-й чемоданчик

Сообщение Dr.V » Вс ноя 27, 2016 1:47 am

Потихеньку міняю звичайні кнопки управління склопіднімачами на кнопки з підсвіткою. Поставив на переднього пасажира.

п.с. Залишились ще два задні....
Вложения
11.jpg
13.jpg
З/П ТА ІНШЕ НЕ ПРОДАЮ!!!!

Мій любий краю, неповинний!
За що тебе Господь кара,
Карає тяжко!
(ОСІЇ ГЛАВА XIV.)
Аватара пользователя
Dr.V
VIP
VIP
 
Сообщения: 865
Зарегистрирован: Вт июл 14, 2009 8:36 pm
Откуда: Миколаїв
Автомобиль: Volvo 940
Клубная карта №: 51

Re: 940-й чемоданчик

Сообщение slava_n » Чт дек 08, 2016 4:05 pm

клас,я теж собі поставив!
0977268118
volvo-сервис Хмельницкий
Аватара пользователя
slava_n
VIP
VIP
 
Сообщения: 2409
Зарегистрирован: Вт янв 19, 2010 8:00 pm
Откуда: хмельницкий
Автомобиль: 142 TURBO, 740,850
Клубная карта №: 0

Re: 940-й чемоданчик

Сообщение Dr.V » Сб дек 10, 2016 11:24 pm

slava_n писал(а):клас,я теж собі поставив!


В темну пору доби досить зручно. Та й просто, - гарно.....Давно хотів їх поставити.
Слав, а пари кнопок в заначці не маєш, щоб я міг поставити ще й для задніх пасажирів?
Вложения
112.jpg
114.jpg
З/П ТА ІНШЕ НЕ ПРОДАЮ!!!!

Мій любий краю, неповинний!
За що тебе Господь кара,
Карає тяжко!
(ОСІЇ ГЛАВА XIV.)
Аватара пользователя
Dr.V
VIP
VIP
 
Сообщения: 865
Зарегистрирован: Вт июл 14, 2009 8:36 pm
Откуда: Миколаїв
Автомобиль: Volvo 940
Клубная карта №: 51

Re: 940-й чемоданчик

Сообщение Dr.V » Пн дек 19, 2016 9:44 pm

Не знаю, що кому приніс Миколай, а мені прислав ось такий подаруночок.....
Вложения
1.jpg
З/П ТА ІНШЕ НЕ ПРОДАЮ!!!!

Мій любий краю, неповинний!
За що тебе Господь кара,
Карає тяжко!
(ОСІЇ ГЛАВА XIV.)
Аватара пользователя
Dr.V
VIP
VIP
 
Сообщения: 865
Зарегистрирован: Вт июл 14, 2009 8:36 pm
Откуда: Миколаїв
Автомобиль: Volvo 940
Клубная карта №: 51

Re: 940-й чемоданчик

Сообщение xoxlov » Пн дек 19, 2016 9:51 pm

а клеить то жалко )))
xoxlov
VIP
VIP
 
Сообщения: 1449
Зарегистрирован: Пт май 31, 2013 10:12 am
Откуда: г.Николаев
Автомобиль: VOLVO S80 T6 AWD
Клубная карта №: 0

Re: 940-й чемоданчик

Сообщение Dr.V » Пн дек 19, 2016 9:56 pm

xoxlov писал(а):а клеить то жалко )))


Саш, Миколай-то знатний вольвість. Прислав дві. Одну на кришку, а другу в сервант :idea:
З/П ТА ІНШЕ НЕ ПРОДАЮ!!!!

Мій любий краю, неповинний!
За що тебе Господь кара,
Карає тяжко!
(ОСІЇ ГЛАВА XIV.)
Аватара пользователя
Dr.V
VIP
VIP
 
Сообщения: 865
Зарегистрирован: Вт июл 14, 2009 8:36 pm
Откуда: Миколаїв
Автомобиль: Volvo 940
Клубная карта №: 51

Re: 940-й чемоданчик

Сообщение xoxlov » Пн дек 19, 2016 9:57 pm

гггг. :-D :-D :-D
xoxlov
VIP
VIP
 
Сообщения: 1449
Зарегистрирован: Пт май 31, 2013 10:12 am
Откуда: г.Николаев
Автомобиль: VOLVO S80 T6 AWD
Клубная карта №: 0

Re: 940-й чемоданчик

Сообщение slava_n » Чт дек 22, 2016 9:54 am

я таку в сумці вже 5 років ношу,ніяк не наважусь приклеїти :frends:
0977268118
volvo-сервис Хмельницкий
Аватара пользователя
slava_n
VIP
VIP
 
Сообщения: 2409
Зарегистрирован: Вт янв 19, 2010 8:00 pm
Откуда: хмельницкий
Автомобиль: 142 TURBO, 740,850
Клубная карта №: 0

Re: 940-й чемоданчик

Сообщение Dr.V » Ср дек 28, 2016 8:27 pm

ще один штрішок по салону.....
Вложения
1.jpg
З/П ТА ІНШЕ НЕ ПРОДАЮ!!!!

Мій любий краю, неповинний!
За що тебе Господь кара,
Карає тяжко!
(ОСІЇ ГЛАВА XIV.)
Аватара пользователя
Dr.V
VIP
VIP
 
Сообщения: 865
Зарегистрирован: Вт июл 14, 2009 8:36 pm
Откуда: Миколаїв
Автомобиль: Volvo 940
Клубная карта №: 51

Re: 940-й чемоданчик

Сообщение Dr.V » Пт июн 16, 2017 11:36 pm

Деталюшка для підлокітника. Появиться трохи часу переберу його.....
Вложения
IMG_20170616_232741_HDR.jpg
З/П ТА ІНШЕ НЕ ПРОДАЮ!!!!

Мій любий краю, неповинний!
За що тебе Господь кара,
Карає тяжко!
(ОСІЇ ГЛАВА XIV.)
Аватара пользователя
Dr.V
VIP
VIP
 
Сообщения: 865
Зарегистрирован: Вт июл 14, 2009 8:36 pm
Откуда: Миколаїв
Автомобиль: Volvo 940
Клубная карта №: 51

Re: 940-й чемоданчик

Сообщение xoxlov » Пт июн 16, 2017 11:42 pm

Все таки пришла, сколько раз заказывал?
xoxlov
VIP
VIP
 
Сообщения: 1449
Зарегистрирован: Пт май 31, 2013 10:12 am
Откуда: г.Николаев
Автомобиль: VOLVO S80 T6 AWD
Клубная карта №: 0

Re: 940-й чемоданчик

Сообщение Dr.V » Сб июн 17, 2017 8:35 am

xoxlov писал(а):Все таки пришла, сколько раз заказывал?

Так, були сумніви чи прийде..... Поїхало з першого разу.
З/П ТА ІНШЕ НЕ ПРОДАЮ!!!!

Мій любий краю, неповинний!
За що тебе Господь кара,
Карає тяжко!
(ОСІЇ ГЛАВА XIV.)
Аватара пользователя
Dr.V
VIP
VIP
 
Сообщения: 865
Зарегистрирован: Вт июл 14, 2009 8:36 pm
Откуда: Миколаїв
Автомобиль: Volvo 940
Клубная карта №: 51

Re: 940-й чемоданчик

Сообщение Dr.V » Вс июн 25, 2017 11:33 am

Перебрав підлокітник. З двох зібрано - один....
Вложения
5.jpg
1.jpg
2.jpg
3.jpg
4.jpg
З/П ТА ІНШЕ НЕ ПРОДАЮ!!!!

Мій любий краю, неповинний!
За що тебе Господь кара,
Карає тяжко!
(ОСІЇ ГЛАВА XIV.)
Аватара пользователя
Dr.V
VIP
VIP
 
Сообщения: 865
Зарегистрирован: Вт июл 14, 2009 8:36 pm
Откуда: Миколаїв
Автомобиль: Volvo 940
Клубная карта №: 51

Re: 940-й чемоданчик

Сообщение Dr.V » Сб июл 15, 2017 11:48 pm

Все :cars: . по кругу всі кнопки управління склопіднімачами з підсвіткою.
Вложения
1.jpg
Последний раз редактировалось Dr.V Вс июл 16, 2017 1:39 pm, всего редактировалось 1 раз.
З/П ТА ІНШЕ НЕ ПРОДАЮ!!!!

Мій любий краю, неповинний!
За що тебе Господь кара,
Карає тяжко!
(ОСІЇ ГЛАВА XIV.)
Аватара пользователя
Dr.V
VIP
VIP
 
Сообщения: 865
Зарегистрирован: Вт июл 14, 2009 8:36 pm
Откуда: Миколаїв
Автомобиль: Volvo 940
Клубная карта №: 51

Re: 940-й чемоданчик

Сообщение vnukoff » Вс июл 16, 2017 11:39 am

Так вот кто все кнопки с подсветкой скупил :-D
От подлокотника не осталось случаем колечек для подстаканника?
Изображение
Аватара пользователя
vnukoff
VIP
VIP
 
Сообщения: 1307
Зарегистрирован: Чт янв 01, 1970 3:00 am
Откуда: Одесса
Автомобиль: Volvo v70 d4 , 740
Клубная карта №: 0

Re: 940-й чемоданчик

Сообщение Dr.V » Вс июл 16, 2017 1:49 pm

vnukoff писал(а):Так вот кто все кнопки с подсветкой скупил :-D


Ага, напевне я ....

По підлокітнику. Кілець нажаль не має. Чесно кажучи, з двох підлокітників після перебору ,крім завіси, нічого з цікавого-цілого не залишилось. Не знаю, чого їх так розламують...
З/П ТА ІНШЕ НЕ ПРОДАЮ!!!!

Мій любий краю, неповинний!
За що тебе Господь кара,
Карає тяжко!
(ОСІЇ ГЛАВА XIV.)
Аватара пользователя
Dr.V
VIP
VIP
 
Сообщения: 865
Зарегистрирован: Вт июл 14, 2009 8:36 pm
Откуда: Миколаїв
Автомобиль: Volvo 940
Клубная карта №: 51

Re: 940-й чемоданчик

Сообщение xoxlov » Вс июл 16, 2017 2:08 pm

Люблю такой подход к машине. Так держать!!!
xoxlov
VIP
VIP
 
Сообщения: 1449
Зарегистрирован: Пт май 31, 2013 10:12 am
Откуда: г.Николаев
Автомобиль: VOLVO S80 T6 AWD
Клубная карта №: 0

Re: 940-й чемоданчик

Сообщение vnukoff » Вс июл 16, 2017 3:04 pm

Dr.V писал(а):
vnukoff писал(а):Так вот кто все кнопки с подсветкой скупил :-D


Ага, напевне я ....

По підлокітнику. Кілець нажаль не має. Чесно кажучи, з двох підлокітників після перебору ,крім завіси, нічого з цікавого-цілого не залишилось. Не знаю, чого їх так розламують...

Ясно
Пластик там не ахти, ну и люди вносят свою лепту)
Изображение
Аватара пользователя
vnukoff
VIP
VIP
 
Сообщения: 1307
Зарегистрирован: Чт янв 01, 1970 3:00 am
Откуда: Одесса
Автомобиль: Volvo v70 d4 , 740
Клубная карта №: 0

Re: 940-й чемоданчик

Сообщение Dr.V » Пн июл 17, 2017 9:44 pm

vnukoff писал(а):
Dr.V писал(а):
vnukoff писал(а):Так вот кто все кнопки с подсветкой скупил :-D


Ага, напевне я ....

По підлокітнику. Кілець нажаль не має. Чесно кажучи, з двох підлокітників після перебору ,крім завіси, нічого з цікавого-цілого не залишилось. Не знаю, чого їх так розламують...

Ясно

Пластик там не ахти, ну и люди вносят свою лепту)


Так, в більшій мірі все-таки - друге.
Бо пластик ніби ще нормальний був, не пересох. Під час розбору нічого з цілого не розламалось й не відламалось....
З/П ТА ІНШЕ НЕ ПРОДАЮ!!!!

Мій любий краю, неповинний!
За що тебе Господь кара,
Карає тяжко!
(ОСІЇ ГЛАВА XIV.)
Аватара пользователя
Dr.V
VIP
VIP
 
Сообщения: 865
Зарегистрирован: Вт июл 14, 2009 8:36 pm
Откуда: Миколаїв
Автомобиль: Volvo 940
Клубная карта №: 51

Re: 940-й чемоданчик

Сообщение Dr.V » Сб авг 05, 2017 9:58 pm

xoxlov писал(а):Люблю такой подход к машине. Так держать!!!

Дякую, Саш....буду старатись.

Навів лад у відсіку аккумулятора. Все почистив, поличку трохи замазав антикором.
Вложения
АКБ1.jpg
АКБ2.jpg
З/П ТА ІНШЕ НЕ ПРОДАЮ!!!!

Мій любий краю, неповинний!
За що тебе Господь кара,
Карає тяжко!
(ОСІЇ ГЛАВА XIV.)
Аватара пользователя
Dr.V
VIP
VIP
 
Сообщения: 865
Зарегистрирован: Вт июл 14, 2009 8:36 pm
Откуда: Миколаїв
Автомобиль: Volvo 940
Клубная карта №: 51

Re: 940-й чемоданчик

Сообщение xoxlov » Вс авг 06, 2017 5:29 pm

Велкором мазал? хорошая вещь, я только им и пользуюсь.
xoxlov
VIP
VIP
 
Сообщения: 1449
Зарегистрирован: Пт май 31, 2013 10:12 am
Откуда: г.Николаев
Автомобиль: VOLVO S80 T6 AWD
Клубная карта №: 0

Re: 940-й чемоданчик

Сообщение atol » Вс авг 06, 2017 8:00 pm

http://velnord.ua/ru_c01_o_kompanii.html Велкор делается здесь- Киев ул. Оросительная 15. Ездил несколько раз закупался - естественно все "свежее" и дешевле от производителя.
Изображение
atol
VIP
VIP
 
Сообщения: 389
Зарегистрирован: Вс фев 22, 2009 12:17 pm
Откуда: киев
Автомобиль: Volvo S80
Клубная карта №: 0

Re: 940-й чемоданчик

Сообщение V. Schneider » Вс авг 06, 2017 11:11 pm

Блін братє! От дивлюсь на твою машину і аж слюною давлюсь!! Так тримати! Молодець! Я в захваті від такого пвдходу до авто!!!
Аватара пользователя
V. Schneider
Лидер
Лидер
 
Сообщения: 90
Зарегистрирован: Пт июл 14, 2017 4:03 pm
Автомобиль: Volvo 740
Клубная карта №: 0

Re: 940-й чемоданчик

Сообщение Dr.V » Пн авг 07, 2017 3:17 pm

xoxlov писал(а):Велкором мазал? хорошая вещь, я только им и пользуюсь.


Так точно, - він самий. Бронзовий.
Мазюка хороша.
З/П ТА ІНШЕ НЕ ПРОДАЮ!!!!

Мій любий краю, неповинний!
За що тебе Господь кара,
Карає тяжко!
(ОСІЇ ГЛАВА XIV.)
Аватара пользователя
Dr.V
VIP
VIP
 
Сообщения: 865
Зарегистрирован: Вт июл 14, 2009 8:36 pm
Откуда: Миколаїв
Автомобиль: Volvo 940
Клубная карта №: 51

Пред.След.

  • Похожие темы
    Ответы
    Просмотры
    Последнее сообщение

Вернуться в 7xx | 9xx | s90 Series

Кто сейчас на конференции

Сейчас этот форум просматривают: нет зарегистрированных пользователей и гости: 1

cron